》高电介强度超过4KV
》高绝缘强度超过100MQ/500VDC
》附过热保护回路可防止过热破坏
》耐瞬间电流超过额定电流10倍以上
》附双重突波吸收回路有效防止突波破坏
》符合EN60947-4-3和EN60950标准
产品型号说明  选型报价请咨询 156 0158 5546
| 产品型式 | 产品图 | 产品型号 | 特点说明 | 
| 标准型 -DC to DC | 
 | SSR-05DD | 输入电压:4~32VDC、负载电压:5~60VDC、额定电流:5A max. | 
| SSR-10DD | 输入电压:4~32VDC、负载电压:5~60VDC、额定电流:10A max | ||
| SSR-25DD | 输入电压:4~32VDC、负载电压:5~120VDC、额定电流:25A max. | ||
| SSR-50DD | 输入电压:4~32VDC、负载电压:5~120VDC、额定电流:50A max. | ||
| SSR-75DD | 输入电压:4~32VDC、负载电压:5~120VDC、额定电流:75A max. | ||
| 高压型 -DC to DC | 
 | SSR-25DD-H | 输入电压:4~32VDC、负载电压:5~300VDC、额定电流:25A max. | 
| SSR-50DD-H | 输入电压:4~32VDC、负载电压:5~300VDC、额定电流:50A max. | ||
| SSR-75DD-H | 输入电压:4~32VDC、负载电压:5~300VDC、额定电流:75A max. | 
产品共同规格 选型报价请咨询 156 0158 5546
| 输入电压 | 4~32VDC | 
| 关闭电压 | <3.0 VDC | 
| 触发电流 | 12mA max | 
| 控制方式 | Random | 
| 泄漏电流 | 1.0 mA | 
| 反应时间 | 1.0 ms | 
| 输入耐突波 | 2 KV (EN61000-4-4) | 
| 电介强度 | 4 KVrms (EN60950/VDE0805) | 
| 绝缘强度 | 100MQ/500VDC (EN60950/VDE0805) | 
| 工作环境 | -40°C~+80°C;35~85%RH | 
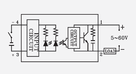
接线图&外形尺寸
 
 
台湾阳明固态继电器,SSR固态继电器,台湾阳明代理商,台湾阳明全系列产品选型报价咨询电话:15601585576








 客服
 客服